欧博特 高清监控领导者
中文版 English
索尼(SONY)监控摄像机
日立(HITACHI)摄像机
SDI_HDMI一体化摄像机
喜恩碧(CNB)摄像机
SDI高清监控产品系列
三洋(SANYO)摄像机
长焦高清一体化机芯
视频会议摄像机
松下(Panasonic)安防
松下一体化机芯
松下枪式摄像机
松下半球摄像机
松下快球摄像机
松下视频会议产品
三星(SAMSUNG)摄像机
乐金(LG)监控摄像机
腾龙镜头(Tamron)
海康威视系列
百万高清一体化机芯
Oubter智能高清摄像机
佳能(CANON)监控摄像机
产品演示中心
资料下载中心
产品展示
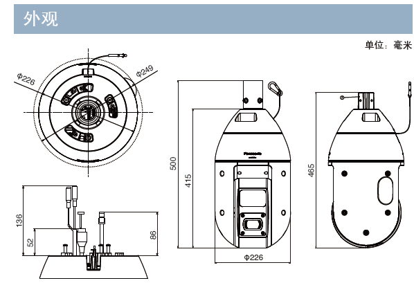
首页 >  松下快球摄像机 >> WV-X6533LNH 40倍光学远距离红外iA(智能自动化)PTZ摄像机
WV-X6533LNH 40倍光学远距离红外iA(智能自动化)PTZ摄像机

 40倍光学远距离红外iA(智能自动化)PTZ摄像机
◆ 全高清 1920x1080 60fps。  
◆ 远距离红外照明。  
◆ 智能变焦增稳系统,40倍光学变焦。  
◆ 雨水自洁涂层。  
◆ 长久耐用的内置云台齿轮结构。
◆ iA(智能自动化)。  
◆ 彩色夜视 (0.001-0.015 lx)。  
◆ 符合IP66, IK10的标准。  
◆ i-VMD插件。

 

远距离红外iA(智能自动化)PTZ摄像机
松下WV-X6533LNH在极具挑战性和快速变化的监控环境下仍可自动获得高质量图像。
利用智能变焦增稳功能,增加失真画面的清晰度。

利用智能自动化(iA)场景监控功能,可根据场景的动态变化及目标的移动,
调整摄像机设置,减少实时监控画面的失真,例如物体移动时

引起的动态模糊。 相比传统的H.264技术,H.265智能编码技术可有效降低带宽最大可达95%*,
所需存储空间更少,实现更长时间的录制。

*高级模式结合智能脸部编码技术时测定。因实际使用环境而异。
在下列具有挑战性的条件下,仍可提供高质量图像
- 内置IR LED,可在照射距离为350米、照度为0 lux的条件下,清晰成像
- 搭载40倍光学大变倍变焦镜头,以及带陀螺仪的智能变焦增稳系统,可进行远距离拍摄
- 通过智能自动化和雨水自洁涂层,对于快速移动的车辆也可获得清晰图像
- 真彩低噪的领先技术,可提供更为出色的低照度环境下拍摄性能,适于夜间应用
- 环境耐久性:IP66, IK10, 长久耐用的内置云台齿轮确保整机的长寿命使用
搭载全新智能编码技术的H.265图像压缩技术
- 相比H.264图像压缩技术,所需存储空间更少,实现更长时间的录制
- 全新自主研发的ROI*编码技术(自动VIQS) ,动态检测移动区域,
在降低带宽的同时,还能保证机动车和人物在图像中的清晰度。

* 画面的重要区域

 

 应用领域

• 交通
• 平安城市
• 铁路
• 重要基础设施
• 机场
• 体育场馆


返回上一页

 深圳市欧博特科技有限公司 版权所有 @2009-2024  粤ICP备12055605号 粤ICP备12055605号-1 粤ICP备12055605号-4 
电话:0755-29829086 13670012808 传真:0755-29829086-805 电子信箱:hdcctv@139.com  
地址:深圳市宝安区龙华镇民治大道东浩大厦A座  邮编:518131 粤ICP备12055605号-3

友情链接: 欧博特阿里商城 - E6300高清机芯推广 - 付款方式 - sony eh6300 - 480CP报价 - FCB-EX490EP - FCB-EX1010 - EVI-HD1 - BRC-300P - DI-SC110-C - FCB-EH6300 - 高清一体机芯 - 百万高清一体机芯 - 欧博特摄像机 - 深圳欧博特 - 索尼高清机芯 - FCB-EX480CP - 高清高速球 - FCB-EX990DP - 高清6300 - SONY FCB-EX1020P - 欧博特机芯 - EVI-HD7V - 欧博特视频会议 - EVI-D70P - 深圳安防论坛 - 网站后台 - 深圳安防网 - 深圳索尼机芯代理 - VEI-DS100P - FCB-EX985EP - 百万高清球机 - 百万高清高速球 - FCB-EX15EP - FCB-EH3310 - FCB-EH3410 - FCB-E6500 - 200万像素高清高速球 - 720P高速球 - 欧博特旧版网站