欧博特 高清监控领导者
中文版 English
索尼(SONY)监控摄像机
日立(HITACHI)摄像机
SDI_HDMI一体化摄像机
喜恩碧(CNB)摄像机
SDI高清监控产品系列
三洋(SANYO)摄像机
长焦高清一体化机芯
视频会议摄像机
松下(Panasonic)安防
松下一体化机芯
松下枪式摄像机
松下半球摄像机
松下快球摄像机
松下视频会议产品
三星(SAMSUNG)摄像机
乐金(LG)监控摄像机
腾龙镜头(Tamron)
海康威视系列
百万高清一体化机芯
Oubter智能高清摄像机
佳能(CANON)监控摄像机
产品演示中心
资料下载中心
产品展示
首页 >  松下快球摄像机 >> WV-CW590/CH,WV-CW594CH 松下36倍新型超级宽动态摄像机
WV-CW590/CH,WV-CW594CH 松下36倍新型超级宽动态摄像机

 

适用于户外:尽在第六代超级动态室外日夜型快球摄像机

 

Panasonic推出的第六代超级动态室外日夜型快球摄像机,配有防护外罩、内置一体化云台和36倍的光学变焦镜头,可进行360°旋转。通过使用Panasonic特有的高级性能(诸如:基于每个像素的160倍动态范围内的图像对比度校正功能),实现了出色的图像精确显示。全新的智能功能包括:自动图像稳定功能,场景变化检测功能和自动追踪功能。为户外监控带来高度的可靠性。WV-CW590将在众多安防领域发挥积极的作用。用于停车场、游乐园、大型购物中心、机场、火车站、高速公路、城市道路和广场的监控,效果十分理想。

产品特点

 

  • 与传统摄像机相比,超级动态6可提供160倍更宽的动态范围。
  • 高分辨率:650线。
  • 高灵敏度带日夜转换功能:F1.4(广角)时,彩色模式下为0.5Lux,黑白模式下为0.04Lux。拥有红外滤光片(开 / 关),确保在黑白模式下增强灵敏度。
  • 自适应数字降噪:集成的2D / 3D数字降噪确保了在多种条件下进行降噪。
  • 电子灵敏度提升:自动(最高32倍) / 手动(最高512倍)。
  • 电子快门:1/120秒~1/10,000秒。
  • 36倍变焦镜头:3.3~119mm(约720倍电子变焦)。
  • 预设模式下最大旋转 / 俯仰速度400°/秒和手动模式下0.065°/秒超精细控制。
  • 5度仰视角令适用范围更广泛。
  • 256个预置位,可通过矩阵或录像机的系统控制器来激活。
  • 自动追踪:摄像机自动跟踪画面中最大的移动物体,可通过旋转俯仰以保持目标在画面的中心位置。
  • VMD(视频移动检测器)8x6遮蔽区域。
  • 场景变化检测报警:当镜头被遮盖,喷漆,移动或散焦时。
  • 4路报警输入、2路报警输出端口。
  • 报警联动包括:端口输出、调预置位、自动旋转、巡视、顺序(SEQ)、排序、自动追踪、黑白和指令输出。
  • 自动图像稳定器可用于振动或强风时。
  • 内同步。
  • 同轴电缆或RS485数据(Panasonic,Pelco P/D 协议)通信。
  • 摄像机字幕最多可显示16个字符。
  • 多语言:中文、英语、法语、意大利语、西班牙语、德语、俄语、日语。
  • 符合IP66防水防尘标准。与IEC60529测量标准兼容。
  • 内置风扇 / 加热器,用于-50˚C~+50˚C时的温度变化。
  • 内置遮阳罩,摄像机可在直射阳光下工作。

*装配可选球罩后,工作环境温度可达-50˚C~+50˚C。

 

摄像机 图像传感器 1/4型行间转移CCD
有效像素 976(水平)x582(垂直)
扫描方式 2:1隔行扫描
扫描范围 3.66(H)x2.73(V)
扫描频率 水平:15.625kHz,垂直:50Hz
水平分辨率 650 线
最低照度 F1.4时 彩色(30 IRE):0.5Lux (灵敏度提升:关),0.016Lux (灵敏度提升:32倍)
F1.4时 黑白(10 IRE):0.04Lux(灵敏度提升:关),0.0013Lux(灵敏度提升:32倍)
信噪比 最小52dB(AGC:关)
白平衡 AWC(2,000~10,000K),ATW1(2,700~8,000K),ATW2(2,400~8,000K)
光量控制 ALC(调整开 / 关输出目标电平) / 手动
AGC 开(低、中、高) / 关
超级动态6 开 / 关
动态范围 54dB典型(超级动态6:开)
电子快门 关(1/50),自动,1/120,1/250,1/500,1/1,000,1/2,000,
1/4,000,1/10,000
电子灵敏度提升 自动(高达32倍),固定(高达512倍)
数字降噪 高 / 低
黑白模式 自动 / 开 / 关
场景 10种模式(快门,AGC,灵敏度提升,白平衡,VMD)
场景选择设置 室内(L) / 室内(H) / 室外(L) / 室外(H)
视频移动探测 关 / 移动检测 / 场景变化
隐私区 开 / 关(8区域设置)
自动图像稳定器 开 / 关
摄像机字幕 16个字符
自动对焦 手动 / 自动(旋转、俯仰、变焦连接)
同步 内同步(INT)
镜头 焦距 3.3mm~119mm
变焦比 36倍(约720倍电子变焦)
变焦速度 约6.0秒(望远~广角)手动模式下
变焦范围 1x~720x(超过36倍后是电子变焦)
视角 H:1.7°(望远)~60.2°(广角),V:1.3°(广角)~46.0°(望远)
最大光圈比 1:1.4(广角)~4.2(望远)
对焦范围 2.0m~∞
光圈范围 F1.4~22,关闭
旋转俯仰 旋转范围 360˚无极
旋转速度*1 手动:约0.065˚/秒~120˚/秒,8级,16级,64级
预设:约400˚/秒
俯仰范围 -5˚~185˚(水平–垂直–水平)(根据俯仰角度而定)
俯仰速度*1 手动:约0.065˚/秒~120˚/秒,8级,16级,64级
预设:约400˚/秒
旋转 / 俯仰精度 小于±0.3°
比例旋转 / 俯仰控制 开 / 关
预置位置数 256
自动模式 关,顺序,排序,自动旋转,巡视,自动追踪
自动追踪 标准自动追踪
巡视 停止 / 回放 / 学习
图像定格 开 / 关
数字翻转 开 / 关
区域标题 8个区域标题,16位字符/区域
预置报警 开 / 关
报警 报警源 终端输入、VMD、指令报警
报警联动 预置位置1~4,巡视 1~4,自动追踪1~4,顺序,排序,自动旋转,黑白
输入 / 输出 视频输出 1.0V [p-p] / PAL 复合 75Ω / BNC连接器
控制器接口 同轴控制,RS485
外部输入 / 输出端口 4路 输入(报警输入1~报警输入4),2路输出(报警 / 辅助1,黑白 / 辅助2)
一般规格 设置方法 OSD 设置菜单
密码锁 菜单
语言 中文、英语、俄语、德语、法语、意大利语、西班牙语、葡萄牙语、日语
电源 / 功耗 WV-CW590/CH (AC 220V~240V) ,WV-CW594CH (AC 24V)
工作环境温度 -50°C~+50°C*2
工作环境湿度 ≤90%(无结露)
防水防尘 IP66,符合IEC60529衡量标准
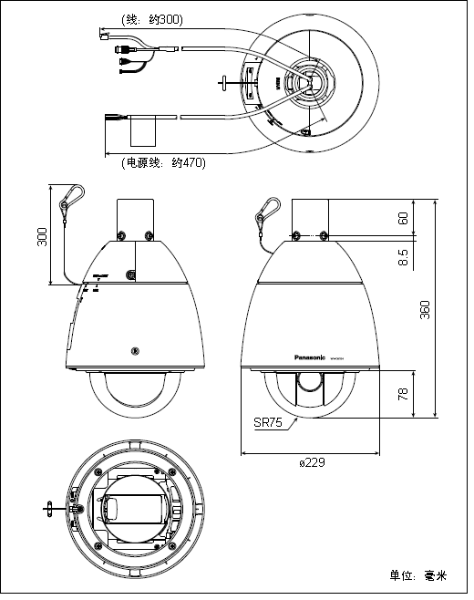
尺寸 229mm(D)x360mm(H) 球形摄像头直径:150mm
重量(约) 4.5kg(含前、后遮阳罩)
饰面 摄像机:铝铸造涂层(喷刷颜色:自然银)
遮阳*3:ASA树脂涂层(喷刷颜色:自然银)
半球:聚碳酸酯树脂

 

返回上一页

 深圳市欧博特科技有限公司 版权所有 @2009-2024  粤ICP备12055605号 粤ICP备12055605号-1 粤ICP备12055605号-4 
电话:0755-29829086 13670012808 传真:0755-29829086-805 电子信箱:hdcctv@139.com  
地址:深圳市宝安区龙华镇民治大道东浩大厦A座  邮编:518131 粤ICP备12055605号-3

友情链接: 欧博特阿里商城 - E6300高清机芯推广 - 付款方式 - sony eh6300 - 480CP报价 - FCB-EX490EP - FCB-EX1010 - EVI-HD1 - BRC-300P - DI-SC110-C - FCB-EH6300 - 高清一体机芯 - 百万高清一体机芯 - 欧博特摄像机 - 深圳欧博特 - 索尼高清机芯 - FCB-EX480CP - 高清高速球 - FCB-EX990DP - 高清6300 - SONY FCB-EX1020P - 欧博特机芯 - EVI-HD7V - 欧博特视频会议 - EVI-D70P - 深圳安防论坛 - 网站后台 - 深圳安防网 - 深圳索尼机芯代理 - VEI-DS100P - FCB-EX985EP - 百万高清球机 - 百万高清高速球 - FCB-EX15EP - FCB-EH3310 - FCB-EH3410 - FCB-E6500 - 200万像素高清高速球 - 720P高速球 - 欧博特旧版网站